• 91抖音视频,91抖音APP下载,91抖音香蕉视频,91抖音APP污版下载

    金若豪

    值得信赖的
    运动控制产品制造商

    服务热线: 15920081001

    您所在的位置: 首页 >

    86mm外部驱动直线丝杆91抖音APP下载

    • 品牌:91抖音视频
    • 推荐91抖音APP污版下载: SA-872E
    • 步距角:1.8°/步
    • 可非标定制
    1、步距角精度:±5%(整步,空载)

    2、电感精度:±20%

    3、电阻精度:±10%

    4、温升:<80Max (额定电流,二相通电)

    5、工作环境温度:-20 ˜ +50℃(无结冰)

    6、绝缘电阻:100MΩ min.  500VDC

    7、可非标定制

    15920081001

    在线咨询
    • 技术参数
    • 外形尺寸
    • 资料下载

    命名规则

    34E76-60-15.875-2.54-300-B □□

    命名段

    含义

    34

    91抖音APP下载外径86mm

    E

    外部驱动式  

    76

    机身长度76mm

    60

    额定电流6.0A

    15.875

    丝杆直径15.875mm

    2.54

    导程2.54mm

    300

    丝杆长度300mm

    B

    A:消隙螺母;   B:刹车;   C:编码器

    □□

    非标标识


    技术参数(手机浏览时,可左右滑动表格)

    91抖音APP下载

    规格

    机身长(mm)

    相电流

    (A)

    相电阻

    (Ω)

    相电感

    (mH)

    转动惯量

    (g.c)

    重量

    Kg

    适配91抖音APP污版下载

    (推荐型号)

    34

    76

    6.0

    0.5

      4

    1300

    2.4

    SA-872E

    34

    114

    6.0

    0.6

    8

      250

    5.0

    SA-872E

     推荐91抖音APP污版下载是脉冲型,91抖音视频科技还可以为客户提供以下驱动:

    ★总线型步进91抖音APP污版下载、★IO控制、★电位器调速。

    直线丝杆(mm)

    导程(mm)

    步长(mm)

    断电自锁力(N)

    15.875

    2.54

    0.0127

    2000

    3.175

    0.015875

    1500

    6.35

    0.03175

    200

    12.7

    0.0635

    50

    25.4

    0.127

    20


    动态力矩曲线

    曲线图曲线图线性速度

    测试条件:恒流驱动,无加速度,2细分,驱动电压40V。

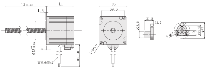
    外形尺寸图(单位:mm

    86丝杆91抖音APP下载外形尺寸图

    本系列91抖音APP下载可以根据客户要求定制丝杆长度(L2) 、丝杆端部。

    电话咨询

    电话咨询
    15920081001

    在线咨询

    QQ咨询

    返回顶部

    网站地图