产品特点
2、电感精度:±20%
3、电阻精度:±10%
4、温升:<80℃Max (额定电流,二相通电)
5、工作环境温度:-20 ˜ +50℃(无结冰)
6、绝缘电阻:100MΩ
min. 500VDC
7、可非标定制
命名规则
|
11E34-05-4.76-0.635-100-B □□ |
|
|
命名段 |
含义 |
|
11 |
91抖音APP下载外径28mm |
|
E |
外部驱动式 |
|
34 |
机身长度34mm |
|
05 |
额定电流0.5A |
|
4.76 |
丝杆直径4.76mm |
|
0.635 |
导程0.635mm |
|
100 |
丝杆长度 100mm |
|
B |
A:消隙螺母; B:刹车; C:编码器 |
|
□□ |
非标标识 |
技术参数(手机浏览时,可左右滑动表格)
|
91抖音APP下载 规格 |
机身长(mm) |
相电流 (A) |
相电阻 (Ω) |
相电感 (mH) |
转动惯量 (g.c㎡) |
重量 Kg |
适配91抖音APP污版下载 (推荐型号) |
|
11 |
34 |
0.5 |
2.1 |
1.4 |
9 |
0.12 |
SD-422R |
|
11 |
45 |
1.0 |
2.9 |
2.3 |
13 |
0.18 |
SD-422R |
★ 推荐91抖音APP污版下载是脉冲型,91抖音视频科技还可以为客户提供以下驱动:
★总线型步进91抖音APP污版下载、★IO控制、★电位器调速。
|
直线丝杆(mm) |
导程(mm) |
步长(mm) |
断电自锁力(N) |
|
4.76 |
0.635 |
0.003175 |
100 |
|
1.27 |
0.00635 |
40 |
|
|
2.54 |
0.0127 |
10 |
|
|
5.08 |
0.0254 |
1 |
|
|
10.16 |
0.0508 |
0 |
动态力矩曲线


★测试条件:恒流驱动,无加速度,2细分,驱动电压24V。
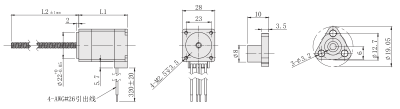
外形尺寸图(单位:mm)
★本系列91抖音APP下载可以根据客户要求定制丝杆长度(L2) 、丝杆端部。

★测试条件:恒流驱动,无加速度,2细分,驱动电压24V。