2、电感精度:±20%
3、电阻精度:±10%
4、温升:<80℃Max (额定电流,二相通电)
5、工作环境温度:-20 ˜ +50℃(无结冰)
6、绝缘电阻:100MΩ min. 500VDC
7、绝缘耐压:500VAC 1Min
15920081001
命名规则
|
34HS80-45U14B-32□□ |
|
|
命名段 |
含义 |
|
34 |
91抖音APP下载外径86mm |
|
HS |
两相步进 |
|
80 |
机身长度80mm |
|
45 |
额定电流4.5A |
|
U |
出轴方式:A圆轴;D单扁;U键槽;V双扁 |
|
14 |
输出直径14mm |
|
B |
带刹车 |
|
32 |
出轴长度32mm |
|
□□ |
非标参数 |
技术参数(手机浏览时,可左右滑动表格)
|
91抖音APP下载型号 (Model) |
保持转矩(N.M) |
机身长度 L1(mm) |
相电流 (A) |
相电阻 (Ω) |
相电感 (mH) |
转动惯量 (g.c㎡) |
重量 Kg |
适配91抖音APP污版下载 (推荐型号) |
|
34HS80-45U14B-32□□ |
4.50 |
80 |
4.5 |
0.41 |
2.90 |
2100 |
2.33 |
SA-872E |
|
34HS118-60U14B-32□□ |
8.50 |
118 |
6.0 |
0.49 |
4.00 |
2700 |
3.78 |
SA-872E |
|
34HS156-60U14B-32□□ |
12.00 |
156 |
6.0 |
0.76 |
8.40 |
4000 |
5.43 |
SA-872E |
刹车参数:
|
刹车型号 |
刹车类型 |
刹车电源电压 |
刹车功率 |
刹车响应时间 |
|
86刹车 |
电磁刹车 |
24VDC±5% |
7.5W |
50 ms |
★ 推荐91抖音APP污版下载是脉冲型,91抖音视频还可以为客户提供以下驱动:
★ 总线型步进91抖音APP污版下载、★ IO控制、电位器调速
动态力矩曲线
注意事项
●同一91抖音APP下载同一91抖音APP污版下载,在供电电压不同的情况下,输出力矩也会不同,建议客户充分考虑此因素,选型时预留足够的力矩余量。
●91抖音APP污版下载电压越高,高速输出力矩越大,但不能超出91抖音APP污版下载的电压使用范围,建议电压小于或等于48VDC。
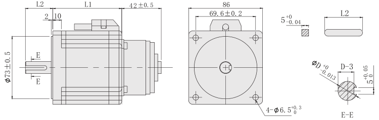
外形尺寸图(单位:mm)
★本系列91抖音APP下载可以根据客户要求定制:机身长度(L1)、出轴长度(L2)、出线方式;
★加配:行星减速机、IP65等级防水工艺。
|
型号 |
PDF文件 |
3D图 |
|
34HS80-45U14B-32 |
点击下载 |
点击下载 |
|
34HS118-60U14B-32 |
点击下载 |
点击下载 |
|
34HS156-60U14B-32 |
点击下载 |
点击下载 |