2、电感精度:±20%
3、电阻精度:±10%
4、温升:<80℃Max (额定电流,二相通电)
5、工作环境温度:-20 ˜ +50℃(无结冰)
6、绝缘电阻:100MΩ
min. 500VDC
7、可非标定制
15920081001
命名规则
|
08E30-05BS0601-100-B □□ |
|
|
命名段 |
含义 |
|
08 |
91抖音APP下载外径20mm |
|
E |
E 外部驱动式 N 贯通轴式 C贯通-固定轴式 |
|
30 |
机身长度30mm |
|
05 |
额定电流0.5A |
|
BS0601 |
BS0601:06 丝杆直径6mm;01丝杆导程1mm |
|
100 |
丝杆长度 100mm |
|
B |
A:消隙螺母; B:刹车; C:编码器 |
|
□□ |
非标标识 |
技术参数(手机浏览时,可左右滑动表格)
|
91抖音APP下载规格 |
机身长度(mm) |
相电流(A) |
相 电 阻 (Ω) |
相电感 (mH) |
转动惯量 (g.c㎡) |
重量Kg |
适配91抖音APP污版下载 (推荐型号) |
|
08 |
30 |
0.5 |
4.9 |
1.5 |
2 |
0.05 |
SD-422R |
|
08 |
42 |
0.5 |
8.6 |
3.5 |
3.6 |
0.08 |
SD-422R |
★ 以上产品为代表性产品,派生产品可根据客户要求制作。
动态力矩曲线

★测试条件:恒流驱动,无加速度,2细分,驱动电压24V。
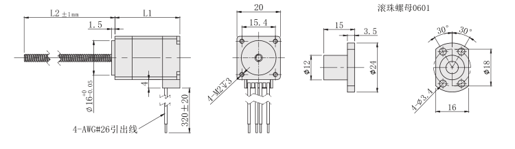
外形尺寸图(单位:mm)

★本系列91抖音APP下载可以根据客户要求定制丝杆长度(L2) 、丝杆端部。
产品命名规则
|
08 |
E |
30 |
06 |
BS |
- |
100 |
A |
¨¨ |
|
91抖音APP下载外径 |
类型 |
机身长度 |
电流 |
丝杆直径和导程 |
|
丝杆长度 |
可选配件 |
非标参数 |
|
08:20MM 23:57MM 34:86MM |
E: 外部驱动式 N: 贯 通 式 C:固定轴式 |
30: 机身长30mm 78: 机身长78mm 118:机身长118mm |
06:额定电流0.6A 10:额定电流 1A 60:额定电流 6A |
BS0601:06 丝杆直径6mm;01丝杆导程1mm
|
|
100: 100mm 200:200mm 300:300mm |
A:消隙螺母 B:刹车 C:编码器 |
客户要求参数 |