• 91抖音视频,91抖音APP下载,91抖音香蕉视频,91抖音APP污版下载

    金若豪

    值得信赖的
    运动控制产品制造商

    服务热线: 15920081001

    您所在的位置: 首页 >

    28mm贯通轴式直线丝杆91抖音APP下载

    • 品牌:91抖音视频
    • 推荐91抖音APP污版下载: SD-422R
    • 步距角:1.8°/步
    • 可非标定制
    1、步距角精度:±5%(整步,空载)

    2、电感精度:±20%

    3、电阻精度:±10%

    4、温升:<80Max (额定电流,二相通电)

    5、工作环境温度:-20 ˜ +50℃(无结冰)

    6、绝缘电阻:100MΩ min.  500VDC

    7、可非标定制

    15920081001

    在线咨询
    • 技术参数
    • 外形尺寸
    • 资料下载

    命名规则

    11N34-05-4.76-0.635-100 □□

    命名段

    含义

    11

    91抖音APP下载外径28mm

    N

     贯通轴式 

    34

    机身长度34mm

    05

    额定电流0.5A

    4.76

    丝杆直径4.76mm

    0.635

    导程0.635mm

    100

    丝杆长度 100mm

    □□

    非标标识


    技术参数(手机浏览时,可左右滑动表格)

    91抖音APP下载

    规格

    机身长(mm)

    相电流

    (A)

    相电阻

    (Ω)

    相电感

    (mH)

    转动惯量

    (g.c)

    重量

    Kg

    适配91抖音APP污版下载

    (推荐型号)

    11

    34

    0.5

    2.1

      1.4

    9

    0.12

    SD-422R

    11

    45

    1.0

    2.9

    2.3

      13

    0.18

    SD-422R

     推荐91抖音APP污版下载是脉冲型,91抖音视频科技还可以为客户提供以下驱动:

    ★总线型步进91抖音APP污版下载、★IO控制、★电位器调速。

    直线丝杆(mm)

    导程(mm)

    步长(mm)

    断电自锁力(N)

    4.76

    0.635

    0.003175

    100

    1.27

    0.00635

    40

    2.54

    0.0127

    10

    5.08

    0.0254

    1

    10.16

    0.0508

    0


    动态力矩曲线

    曲线图曲线图线性速度

    测试条件:恒流驱动,无加速度,2细分,驱动电压24V。

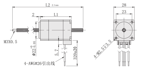
    外形尺寸图(单位:mm

    贯通轴28丝杆91抖音APP下载外形尺寸图

    本系列91抖音APP下载可以根据客户要求定制丝杆长度(L2) 、丝杆端部。

    电话咨询

    电话咨询
    15920081001

    在线咨询

    QQ咨询

    返回顶部

    网站地图