• 91抖音视频,91抖音APP下载,91抖音香蕉视频,91抖音APP污版下载

    DH200中空旋转平台

    产品特点

    • 品牌:91抖音视频
    • 适配马达:86步进马达
    • 适配马达:750W AC伺服马达
    • 可配各品牌伺服或步进马达
    1、高精度,定位精度小于1arcmin

    2、重复精度可达5arcsec

    3、盘面运转平稳,顺畅,且快速定位

    4、安装方便,旋转面可直接锁固工作物

    5、寿命长,选用高硬度,高密度齿轮为材料

    6、可配各种品牌伺服或步进马达

    7、交期快

    • 技术参数
    • 外形尺寸
    • 资料下载

    命名规则

    DH200G05-N □□

    命名段

    含义

    DH

    旋转平台

    200

    91抖音APP下载外径200mm

    G

    G:行星减速机  T:直角减速机

    05

    减速比:5

    N

    选配91抖音APP下载:N伺服91抖音APP下载;S步进91抖音APP下载

    □□

    非标参数


    技术参数(手机浏览时,可左右滑动表格)

    适配马达

    86 步进马达

    750W AC伺服马达

    旋转平台轴承

    交叉滚子轴承

    减速比

    1:18

    1:18

    容许转矩

    80N.m

    180N.m

    转动惯量

    108150*10¯kg.

    允许转速

    200r/min

    容许惯性载量

    100N.m

    216N.m

    容许轴向载重

    4000N.m

    定位精度

    ±0.5arcmin

    重复定位精度

    ±5arcmin

    旋转平台台面偏差

    ±0.005mm

    旋转平台平行度

    ±0.015mm

    旋转平台同心度

    ±0.01mm

    保护等级

    IP40

    重量

    8kg


    本公司产品不断更新,若有不符以实物为准,若有特殊尺寸要求,请联系本公司技术人员。

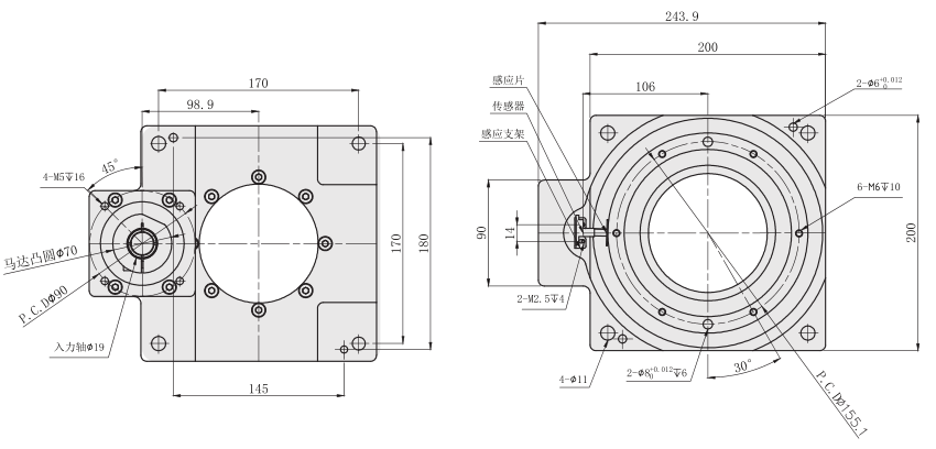
    外形尺寸图(单位:mm

    DH200中空旋转平台外形尺寸图

    DH200中空旋转平台外形尺寸图

    网站首页

    产品中心

    电话咨询

    网站地图