• 91抖音视频,91抖音APP下载,91抖音香蕉视频,91抖音APP污版下载

    金若豪

    值得信赖的
    运动控制产品制造商

    服务热线: 15920081001

    您所在的位置: 首页 >

    20mm步进91抖音APP下载

    • 品牌:91抖音视频
    • 推荐91抖音APP污版下载: SD-422R
    • 径向容许负载:15N(距安装面5mm)
    • 轴向容许负载: 3N
    1、步距角:1.8°/步±5%(整步,空载)

    2、电感精度:±20%

    3、电阻精度:±10%

    4、温升:<80Max (额定电流,二相通电)

    5、工作环境温度:-20 ˜ +50℃(无结冰)

    6、绝缘电阻:100MΩ min.  500VDC

    7、绝缘耐压:500VAC 1Min

    15920081001

    在线咨询
    • 技术参数
    • 外形尺寸
    • 资料下载

    命名规则

    08HS30-06D4-21□□

    命名段

    含义

    08

    91抖音APP下载外径20mm

    HS

    两相步进

    30

    机身长度30mm

    06

    额定电流0.6A

    D

    出轴方式:A圆轴;D单扁;U键槽;V双扁

    4

    输出直径4mm

    21

    出轴长21mm

    □□

    非标参数


    技术参数(手机浏览时,可左右滑动表格)

    91抖音APP下载型号

    (Model)

    保持转矩(N.M)

    机身长度(mm)

    相电流(A)

    相 电 阻

    (Ω)

    相电感

    (mH)

    转动惯量

    (g.c㎡)

    重量Kg

    适配91抖音APP污版下载

    (推荐型号)

    08HS30-06D4-21□□

    0.016

    30

    0.6

    6.5

      1.5

    2

    0.05

    SD-422R

    08HS38-06D4-21□□

          0.026

    38

    0.6

    4.5

    1.5

      3

    0.06

    SD-422R

    08HS40-08D4-21□□

    0.032

    40

    0.8

    5.5

    1.5

      3

    0.08

    SD-422R

    推荐91抖音APP污版下载是脉冲型,91抖音视频还可以为客户提供以下驱动:

    总线型步进91抖音APP污版下载、IO控制、电位器调速、刹车控制


    动态力矩曲线

    曲线图

    曲线图

    曲线图

    注意事项

    同一91抖音APP下载同一91抖音APP污版下载,在供电电压不同的情况下,输出力矩也会不同,建议客户充分考虑此因素,选型时预留足够的力矩余量。

    91抖音APP污版下载电压越高,高速输出力矩越大,但不能超出91抖音APP污版下载的电压使用范围,建议电压小于或等于24VDC。

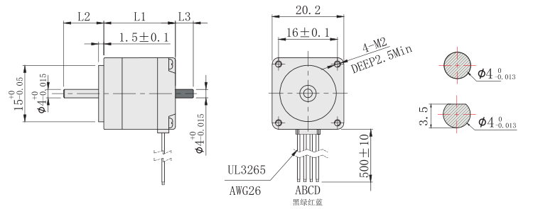
    外形尺寸图(单位:mm

    2091抖音APP下载外形尺寸图


    本系列91抖音APP下载可以根据客户要求定制:机身长度(L1)、出轴长度(L2)、双出轴(L3)、出线方式。


    PDF文件

    3D

    08HS30-06D4-21

    点击下载

    点击下载

    08HS38-06D4-21

    点击下载

    点击下载

    08HS40-08D4-21

    点击下载

    点击下载

    电话咨询

    电话咨询
    15920081001

    在线咨询

    QQ咨询

    返回顶部

    网站地图