1、步距角:1.8°/步±5%(整步,空载)
2、电感精度:±20%
3、电阻精度:±10%
4、温升:<80℃Max (额定电流,二相通电)
5、工作环境温度:-20 ˜ +50℃(无结冰)
6、绝缘电阻:100MΩ min. 500VDC
7、绝缘耐压:500VAC 1Min
15920081001
命名规则
|
42HS120-60U19-37□□ |
|
|
命名段 |
含义 |
|
42 |
91抖音APP下载外径110mm |
|
HS |
两相步进 |
|
120 |
机身长度120mm |
|
60 |
额定电流6.0A |
|
U |
出轴方式:A圆轴;D单扁;U键槽;V双扁 |
|
19 |
输出直径19mm |
|
37 |
出轴长37mm |
|
□□ |
非标参数 |
技术参数(手机浏览时,可左右滑动表格)
|
91抖音APP下载型号 (Model) |
保持转矩(N.M) |
机身长度(mm) |
相电流 (A) |
相电阻 (Ω) |
相电感 (mH) |
转动惯量 (g.c㎡) |
重量 Kg |
适配91抖音APP污版下载 (推荐型号) |
|
42HS120-60U19-37 □□ |
12 |
120 |
6.0 |
0.8 |
9.8 |
7200 |
6.25 |
SH-2265R |
|
42HS150-60U19-37 □□ |
18 |
150 |
6.0 |
1.1 |
22.5 |
10900 |
8.30 |
SH-2265R |
动态力矩曲线
注意事项
●同一91抖音APP下载同一91抖音APP污版下载,在供电电压不同的情况下,输出力矩也会不同,建议客户充分考虑此因素,选型时预留足够的力矩余量。
●91抖音APP污版下载电压越高,高速输出力矩越大,但不能超出91抖音APP污版下载的电压使用范围,建议电压小于或等于220VAC。
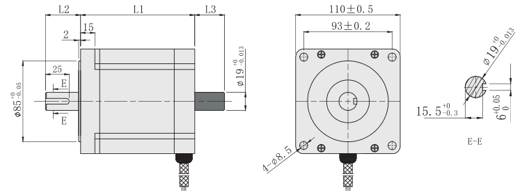
外形尺寸图(单位:mm)
★本系列91抖音APP下载可以根据客户要求定制:机身长度(L1)、出轴长度(L2)、双出轴(L3)、出线方式;
★加配:行星减速机、断电刹车、IP65等级防水工艺。
|
型号 |
PDF文件 |
3D图 |
|
42HS120-60U19-37 |
点击下载 |
点击下载 |
|
42HS150-60U19-37 |
点击下载 |
点击下载 |