2、功率密度高,机身短
3、安装尺寸直流伺服兼容
4、最高可达三倍过载
5、编码器精度可选
6、编码器类别可选
7、200W支持出轴定制
15920081001
命名规则
|
ECL 60 400 M 5 2500 M -24 -14 -BK / -GP |
|
|
命名段 |
含义 |
|
ECL |
低压伺服91抖音APP下载 |
|
60 |
91抖音APP下载外径:60mm |
|
400 |
91抖音APP下载功率:400W |
|
M |
M系列 |
|
5 |
极对数:5对极 |
|
2500 |
编码器精度 = 1 * GB3 ① |
|
M |
编码器类别 = 2 * GB3 ② |
|
24 |
电压规格:24V |
|
14 |
轴径:14mm |
|
BK |
带刹车 |
|
GP |
带减速机 |
代码名称说明
|
① |
编码器精度 |
1000:1000PPR 1250:1250PPR 2500:2500PPR |
|
② |
编码器类别 |
③ E:光电编码器 M:磁编码器 |
技术参数(手机浏览时,可左右滑动表格)
|
型号 |
功率 W |
电压 VDC |
电流 A |
法兰 MM |
轴径 MM |
转速 RPM |
扭矩 N.m |
编码器 PPR |
机身 长度L1 |
刹车 机身长度L2 |
适配 91抖音APP污版下载 |
|
ECL60200M5-2500M-24-14 |
200 |
24 |
9.8 |
60 |
14 |
3000 |
0.64 |
2500 |
75.5 |
127.5 |
ESD830 |
|
ECL60400M5-2500M-24-14 |
400 |
48 |
10.6 |
60 |
14 |
3000 |
1.27 |
2500 |
97.5 |
149 |
ESD830 |
|
ECL60600M5-2500M-24-14 |
600 |
48 |
20 |
60 |
14 |
3000 |
1.91 |
2500 |
132 |
155.6 |
ESD850 |
★ 注:200W支持出轴定制;200W/400W加装刹车需2500线。
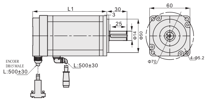
外形尺寸图(单位:mm)