2、高精度
High precision
3、高响应
High response
4、高效率
High efficiency
5、低震动
Low vibration
6、低噪音 Low noise
7、低发热 Low fever
15920081001
命名规则
|
EMH3404U14-32 □□ |
|
|
命名段 |
含义 |
|
EMH |
闭环步进 |
|
34 |
91抖音APP下载外径86mm |
|
04 |
机身长度150mm |
|
U |
出轴方式:A圆轴;D单扁;U键槽;V双扁 |
|
14 |
输出直径14mm |
|
32 |
出轴长32mm |
|
□□ |
非标参数 |
技术参数(手机浏览时,可左右滑动表格)
|
91抖音APP下载型号 (Model) |
保持转矩(N.M) |
机身长度(mm) |
相电流(A) |
相 电 阻 (Ω) |
相电感 (mH) |
转动惯量 (g.c㎡) |
重量Kg |
适配91抖音APP污版下载 (推荐型号) |
|
EMH3402U14-32 □□ |
4.5 |
80 |
6.0 |
0.34 |
2.4 |
1800 |
2.15 |
SD-808E |
|
EMH3403U14-32 □□ |
8.5 |
118 |
6.0 |
0.54 |
5.0 |
3600 |
3.65 |
SD-808E |
|
EMH3404U14-32 □□ |
12.0 |
150 |
6.0 |
0.72 |
7.3 |
5400 |
5.50 |
SD-808E |
动态力矩曲线
注意事项
●同一91抖音APP下载同一91抖音APP污版下载,在供电电压不同的情况下,输出力矩也会不同,建议客户充分考虑此因素,选型时预留足够的力矩余量。
●91抖音APP污版下载电压越高,高速输出力矩越大,但不能超出91抖音APP污版下载的电压使用范围,建议电压小于或等于80VDC。
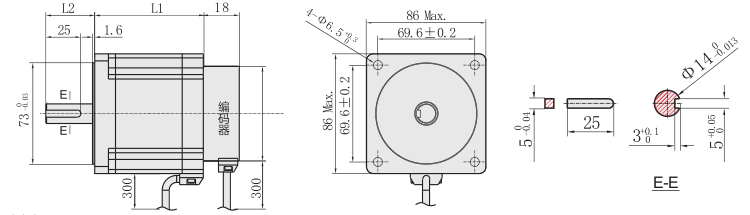
外形尺寸图(单位:mm)
★本系列91抖音APP下载可以根据客户要求定制:机身长度(L1)、出轴长度(L2)、双出轴(L3)、出线方式。
|
型号 |
PDF文件 |
3D图 |
|
EMH3402U14-32 |
点击下载 |
点击下载 |
|
EMH3403U14-32 |
点击下载 |
点击下载 |
|
EMH3404U14-32 |
点击下载 |
点击下载 |